DXZ Multi -function travel limit switch
Advantage
All products of the company can be customized for production according to user usage scenarios.
Product Introduction
DQX-GL-□/□ series limit switches are suitable for control circuits with AC 50Hz, rated working voltage up to 380V, and DC rated working voltage up to 220V as travel limit and terminal protection for mobile mechanical translation mechanisms. This product complies with GB/T14048.5-2017 standard.
Works
The worm wheel is driven by the drum shaft to rotate, and the cam on the worm wheel shaft also rotates. When it rotates to a certain position, the flange of the cam contacts the limit switch, which actuates the limit switch, cuts off the power source for rising or falling, and stops the hoist at the limit position. This product is equipped with four limit switches, which can be set according to user needs. Generally, two protections can be set for rising or falling, namely alarm limit and protection limit.
| Use Category | AC-15 | DC-13 |
|---|---|---|
| Rated operating voltage | AC250 | DC220 |
| Rated operating current | 2 | 0.09 |
| Rated thermal current | 10 | 10 |
| Rated insulation voltage | 400 | |
| Protection class | IP54 | |
Construction Introduction
The limit switch housing is made of die-cast aluminum, and the surface is sprayed with aluminum powder alkyd heat-resistant paint. The contact of the limit switch is disconnected by the operating arm driving the shaft to make the cam on the shaft move. The cam and the adjustment sleeve on the shaft are evenly equipped with 24 teeth on the circumference of φ26. The cam angle can be adjusted as needed to achieve the required closing procedure. When adjusting, just remove the screws on the end cover and the adjustment sleeve. The rocker arm can also be adjusted arbitrarily within 360 degrees (every 15 degrees), see Figure 1.
The protection level of the limit switch is IP44
Working conditions
1. Altitude The altitude of the installation location does not exceed 2,000 meters;
2. Medium temperature: The ambient air medium temperature is not higher than +75℃ and not lower than -25℃;
3. Relative humidity: The average relative air humidity in the wettest month of the installation location is not greater than 90% (the average minimum temperature in the month is not greater than +25°C);
4. Pollution level of environmental conditions: The pollution level of environmental conditions is Level III;
5. Installation category The installation category is Category I;
6. Types of limit switches: Structural types are divided according to structural types: The structure of this product is rotary type, and the speed ratios are: 80:1, 40:1, and 20:1. Control loops are divided according to control loops: this limit switch can be equipped with up to 8 control loops.
2. Medium temperature: The ambient air medium temperature is not higher than +75℃ and not lower than -25℃;
3. Relative humidity: The average relative air humidity in the wettest month of the installation location is not greater than 90% (the average minimum temperature in the month is not greater than +25°C);
4. Pollution level of environmental conditions: The pollution level of environmental conditions is Level III;
5. Installation category The installation category is Category I;
6. Types of limit switches: Structural types are divided according to structural types: The structure of this product is rotary type, and the speed ratios are: 80:1, 40:1, and 20:1. Control loops are divided according to control loops: this limit switch can be equipped with up to 8 control loops.
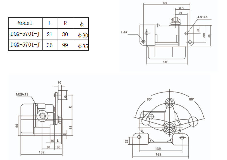
Overall and installation dimensions






