LX36-8 series limit switch(ZNFO Transcendence Series)
Advantage
Type Meaning

Working conditions
1. Altitude The altitude of the installation location does not exceed 2,000 meters;
2. Medium temperature: The ambient air medium temperature is not higher than +75℃ and not lower than -25℃;
3. Relative humidity: The average relative air humidity in the wettest month of the installation location is not greater than 90% (the average minimum temperature in the month is not greater than +25°C);
4. Pollution level of environmental conditions: The pollution level of environmental conditions is Level III;
5. Installation category The installation category is Category I;
6. Types of limit switches: Structural types are divided according to structural types: The structure of this product is rotary type, and the speed ratios are: 80:1, 40:1, and 20:1. Control loops are divided according to control loops: this limit switch can be equipped with up to 8 control loops.
Basic parameters
|
Rated control capacity |
Rated operating voltage |
Rated operating current |
Conventional thermal current |
Rated operating frequency(Times/hour) |
Rated insulation voltage |
|
300VA AC |
380 |
0.42 |
3 |
300 |
400 |
|
220 |
0.85 |
||||
|
10W DC |
220 |
0.15 |
|||
|
110 |
0.07 |
Making and breaking
The making and breaking capabilities of the limit switch are shown in Table 2
Table 2
|
Use Category |
Rated operating current |
On condition |
Breaking conditions |
||||
|
I(A) |
U(V) |
COSφ |
I c(A) |
Ur(V) |
COSφ或T0.95(ms) |
||
|
AC-15 |
380V0.42A |
0.8 |
418 |
0.7 |
8.8 |
418 |
0.7 |
|
DC-13 |
220V10W0.15A |
0.05 |
242 |
300mS |
0.05 |
242 |
300mS |
Making and breaking
The making and breaking capabilities of the limit switch are shown in Table 2
Table 2
|
Use Category |
Rated operating current |
On condition |
Breaking conditions |
||||
|
I(A) |
U(V) |
COSφ |
I c(A) |
Ur(V) |
COSφ或T0.95(ms) |
||
|
AC-15 |
380V0.42A |
0.8 |
418 |
0.7 |
8.8 |
418 |
0.7 |
|
DC-13 |
220V10W0.15A |
0.05 |
242 |
300mS |
0.05 |
242 |
300mS |
Electrical life
Electrical Life The electrical life of the limit switch is 100,000 flashes of load operation without the need for repairable replacement parts under the usage conditions listed in Table 3.
Table 3
|
Use Category |
On condition |
Breaking conditions |
||||
|
I(A) |
U(V) |
COSφ |
I c(A) |
Ur(V) |
cOSφ或T0.95(ms) |
|
|
AC-15 |
0.8 |
380 |
0.7 |
8.8 |
380 |
0.4 |
|
DC-13 |
0.045 |
220 |
300mS |
0.045 |
220 |
300mS |
Mechanical life
The mechanical life of the limit switch is 1 million times;
Speed limit
The maximum speed of the input shaft end of the limit switch is 150r/min;
Grade
Contact numbers: The contact numbers of the control loop contacts are shown in the figure.
Spindle input end

Limit switch contact contact symbol
Construction Introduction
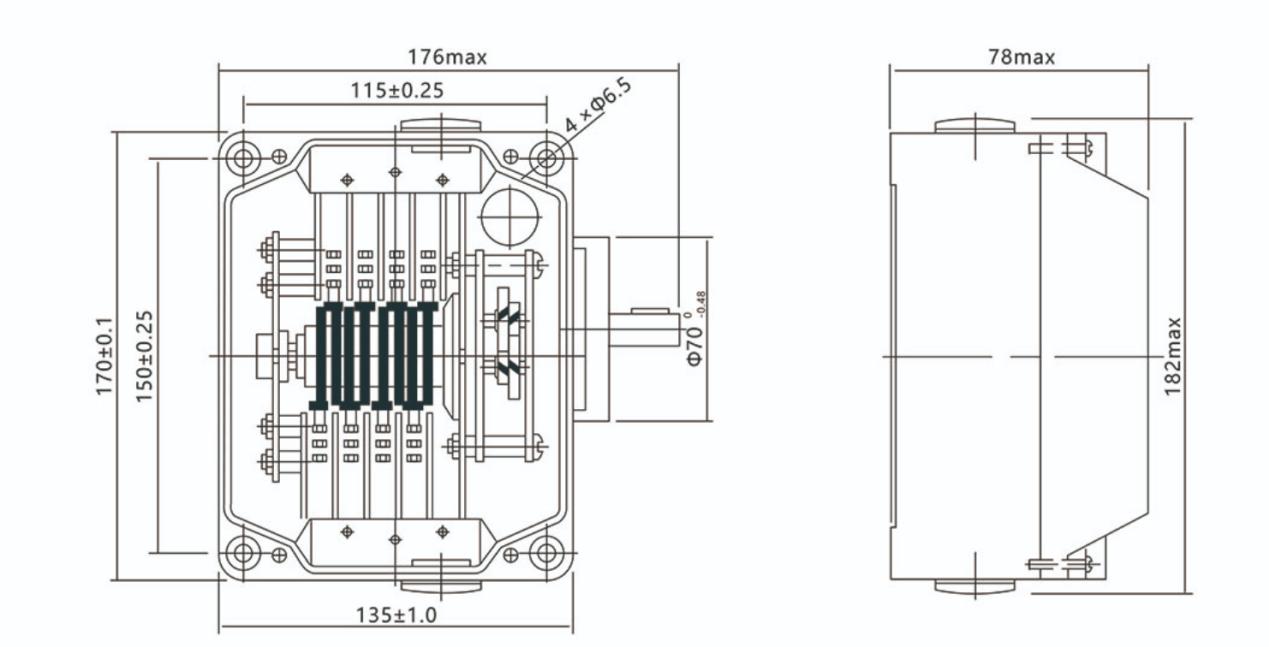
The limit switch is composed of a main shaft passing through a gear reduction system, a camshaft with an adjustable cam plate combination, and a control system composed of micro switches symmetrically arranged on both sides. The three components are integrated and installed in a housing with a protection level of IP54. , its appearance and installation dimensions are shown in the figure.

LX36-8 series limit switch outline drawing
Adjustment Cam plate Angle
Cam plate Angle
There are two types of cam plates and eight types, that is, the first type includes seven types including la, Id...Ig. There is only one type of Category 1l. Its working angle and corresponding rotation number of the limit switch spindle are shown in Table 4.

|
Model |
Speed |
When micro switch contacts closed |
Reference Dimensions |
|||
|
Cam plate type |
Cam plate Maximum working angle |
Limit switches Corresponding spindle revolutions |
||||
|
LX36-88 |
80:1 |
I |
I |
338.6 |
75.2 |
A |
|
I |
336.6 |
74.8 |
0 |
|||
|
I |
334.6 |
74.3 |
1.5 |
|||
|
I |
332.6 |
73.9 |
2.4 |
|||
|
I |
330.6 |
73.4 |
3.2 |
|||
|
I |
328.6 |
73 |
4.0 |
|||
|
I |
326.6 |
72.5 |
4.8 |
|||
|
II |
175 |
38.8 |
5.7 |
|||
|
LX36-84 |
40:1 |
I |
I |
338.6 |
37.6 |
|
|
I |
336.6 |
37.4 |
0 |
|||
|
I |
334.6 |
37.1 |
1.5 |
|||
|
I |
332.6 |
36.9 |
2.4 |
|||
|
I |
330.6 |
36.7 |
3.2 |
|||
|
I |
328.6 |
36.5 |
4.0 |
|||
|
I |
326.6 |
36.2 |
4.8 |
|||
|
II |
175 |
194 |
5.7 |
|||
|
LX36-82 |
20:1 |
I
|
I |
338.6 |
18.8 |
|
|
I |
336.6 |
18.7 |
0 |
|||
|
I |
334.6 |
18.5 |
1.5 |
|||
|
I |
332.6 |
18.4 |
2.4 |
|||
|
I |
330.6 |
18.3 |
3.2 |
|||
|
I |
328.6 |
18.2 |
4.0 |
|||
|
I |
326.6 |
18.1 |
4.8 |
|||
|
II |
175 |
9.7 |
5.7 |
|||





