LX918 Marine limit switch Series
Advantage
Structure and working principle
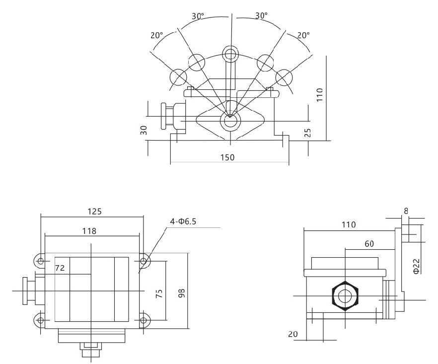
The shell of the limit switch is made of cast iron, which has good mechanical strength and good corrosion resistance. The performance of the material will not deteriorate under the environmental conditions of marine ships. The shell type is protective, and the protection level can reach IP67. Due to the action of the spring, it can automatically reset. Operating position: 5°→0°-45° The opening and closing of the limit switch contacts are determined by the cam position.
The agreed heating current of the limit switch is 16A; the rated insulation voltage is 500V; the rated working voltage (Uc) and the rated working current (le) correspond to the figure on the right:
The rated working voltage of the DC controlled 5.5Kw three-phase squirrel cage asynchronous motor is below 440V and the rated working current is 12A.
Working conditions
1. Altitude The altitude of the installation location does not exceed 2,000 meters;
2. Medium temperature: The ambient air medium temperature is not higher than +75℃ and not lower than -25℃;
3. Relative humidity: The average relative air humidity in the wettest month of the installation location is not greater than 90% (the average minimum temperature in the month is not greater than +25°C);
4. Pollution level of environmental conditions: The pollution level of environmental conditions is Level III;
5. Installation category The installation category is Category I;
6. Types of limit switches: Structural types are divided according to structural types: The structure of this product is rotary type, and the speed ratios are: 80:1, 40:1, and 20:1. Control loops are divided according to control loops: this limit switch can be equipped with up to 8 control loops.
|
Environmental Conditions |
Rated data |
Project |
Ue V |
leAV |
|
Environmental control temperature |
-25℃-+45℃ |
AC |
500 |
2.00 |
|
Moist air at sea |
有Yes |
380 |
2.60 |
|
|
Oil,mold |
有Yes |
220 |
4.60 |
|
|
Tilt |
Any tilt |
DC |
440 |
0.14 |
|
Swing |
≤45℃ |
220 |
0.27 |
|
|
Vibration,shock,shock Britain |
Yes |
110 |
0.55 |
Overall and installation dimensions

Use and maintenance





